Македонијан
> 1/2 ”Sony Ingaas Global Shutter Swir Swir Sensor IMX990.
> Моќен оптички зум од 28x (7,1 ~ 200мм).
> Макс. 1,3MP (1280 × 1024) резолуција.
> Поддржете го ICR прекинувачот за широкопојасен интернет и тесен опсег.
> Поддршка 16x дигитален зум.
> Мрежа за поддршка и двојно излез на МИПИ.
> Поддржете го MIPI дигиталниот излез на видеосинхроно, може да се претвори во излез на HD - SDI.
> Хисиликон Нова генерација на провајдер за намалување на бучавата на ВИ
|
Модел |
SG - SWZ12NMI2-7200 |
|
|
Сензор |
Сензор за слика |
1/2 "Sony Ingaas Global Shutter Swir Sensor IMX990 |
|
Ефективни пиксели |
Приближно. 1,34MP |
|
|
Големина на пиксели |
5μm |
|
|
Спектрален опсег |
400 ~ 1700nm |
|
|
Леќи |
Должина на леќи |
1000 ~ 1700nm |
|
МКЦ |
Поддршка 2 режими: Широк опсег: 1000 ~ 1700nm Тесен опсег: 1450 ~ 1700nm |
|
|
Фокална должина |
7,1мм ~ 200мм, 28x оптички зум |
|
|
Тип на леќи |
Stepper Driver Zoom Len |
|
|
Отворот |
F1.69 ~ F4.84 |
|
|
Поле на гледање |
H: 48,52 ° ~ 1,83 °, V: 39,65 ° ~ 1,47 °, D: 59,9 ° ~ 2,35 ° |
|
|
Блиско растојание на фокусот |
1м ~ 5м (широк ~ теле) |
|
|
Брзина на зумирање |
<4s (оптички широк ~ теле) |
|
|
Видео |
Компресија |
H.265/H.264/H.264H/H.264.B/MJPEG |
|
Резолуција |
Главен поток: 50/60fps@(1280 × 1024, 704 × 480) Под поток: 50/60fps@(640 × 512, 352 × 240) |
|
|
Стапка на видео бит |
32kbps ~ 16Mbps |
|
|
Аудио |
AAC / MP2L2 |
|
|
Мипи |
25/30/50/60FPS@2MP (1280 × 1024) |
|
|
Мрежа |
Мрежен протокол |
IPv4, IPv6, HTTP, HTTPS, TCP, UDP, RTSP, RTCP, RTP, ARP, NTP, FTP, DHCP, PPPOE, DNS, DDNS, UPNP, IGMP, ICMP, SNMP, SMTP, QoS, 802.1x, Bonjour |
|
API |
ONVIF (профил S, профил G, профил T), HTTP API, SDK, GB28181 |
|
|
Корисник |
До 20 корисници, 2 ниво: администратор, корисник |
|
|
Складирање |
MicroSD/SDHC/SDXC картичка (до 1TB) складирање на работ, FTP, NAS |
|
|
Мултикаст |
Поддршка |
|
|
Интелигенција |
Нормален настан |
Откривање на движење, откривање на аудио, конфликт на IP адреса, нелегален пристап, аномалија за складирање, блокирање на видео, промена на сцената, исклучување на мрежата |
|
Функции на IVS |
Tripwire, откривање на вкрстена ограда, упад, напуштен предмет, брзо - движење, откривање на паркирање, проценка на собирање толпа, предмет што недостасува, откривање на откривање. |
|
|
Надградба на фирмверот |
Само може да го надградат фирмверот преку мрежна порта |
|
|
Општи настани |
Движење, тампер, SD картичка, мрежа |
|
|
Ivs |
Tripwire, откривање на вкрстена ограда, упад, напуштен предмет, брзо - движење, откривање на паркирање, проценка на собирање толпа, предмет што недостасува, откривање на откривање. |
|
|
Намалување на бучавата |
2д/3Д |
|
|
Режим на изложеност |
Прирачник, автоматски, приоритет на отворот, приоритет на блендата |
|
|
Компензација на изложеност |
Поддршка |
|
|
Брзина на блендата |
1/1 ~ 1/30000S |
|
|
Режим на фокус |
Автоматско/рачно/полу -автоматско/еден притисок AF |
|
|
Електронски дефог |
Поддршка |
|
|
Намалување на топлината магла |
Поддршка |
|
|
Флип |
Поддршка |
|
|
Еис |
Поддршка |
|
|
Дигитален зум |
16x |
|
|
Етернет |
4pin етернет порта, 10m/100m само - адаптација |
|
|
Надворешна контрола |
Ttl |
|
|
Интерфејс |
4Pin Ethernet порта, 6pin Serial & Power Port, 5Pin Audio Port. 30pin mipi |
|
|
Протокол за комуникација |
Sony Visca, Pelco D/P. |
|
|
Услови за работа |
- 30 ~+60 ° C/20%~ 80%RH |
|
|
Услови за складирање |
- 40 ~+70 ° C/20%~ 95%RH |
|
|
Снабдување со електрична енергија |
DC 12V |
|
|
Потрошувачка на енергија (ТБД) |
Статичка моќност: 4.5W, Спортска моќ: 5.5W |
|
|
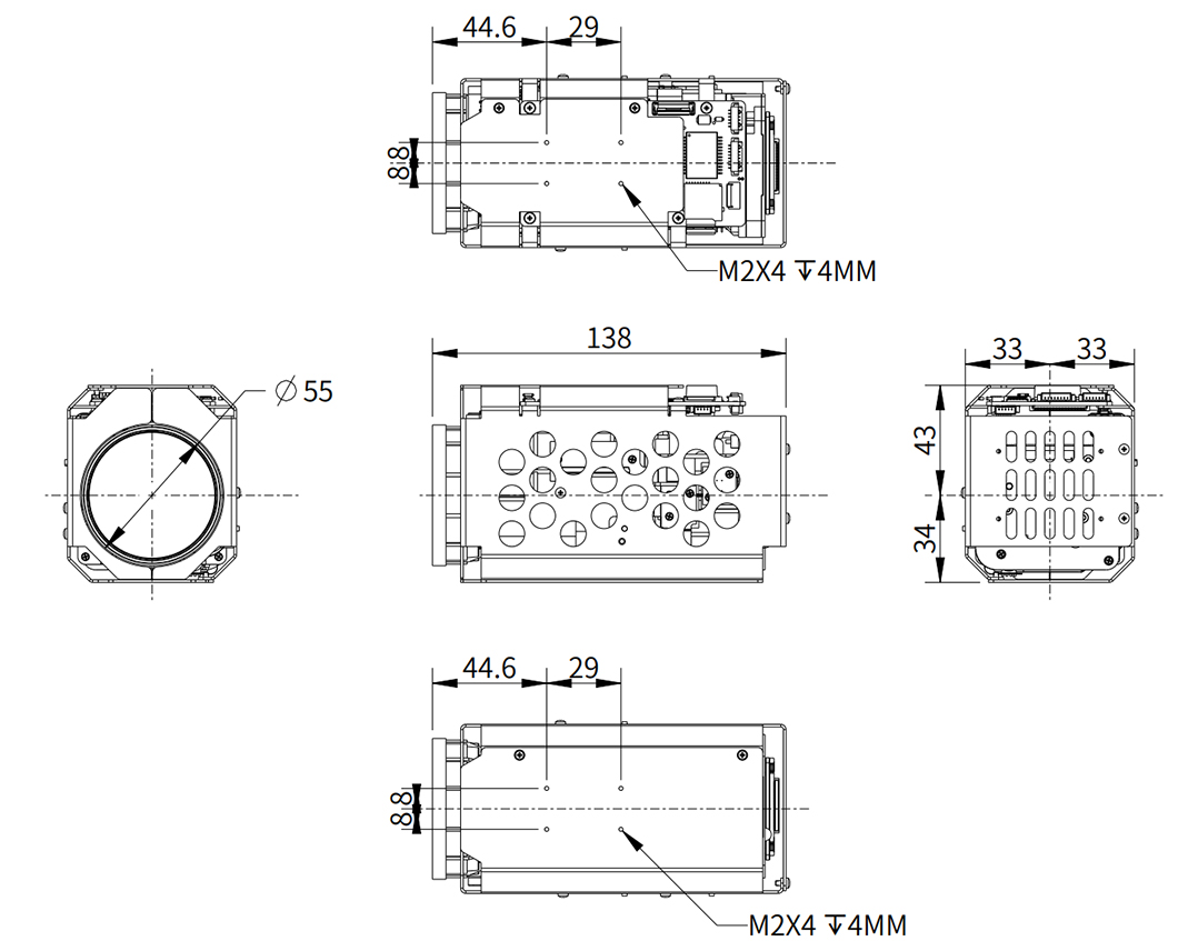
Димензии (l*w*h) |
Приближно. 138мм*66мм*77мм |
|
|
Тежина |
618g |
|

Оставете ја вашата порака

